HD74LS155
Duel 2-line-to-4-line Decoders/Demultiplexers
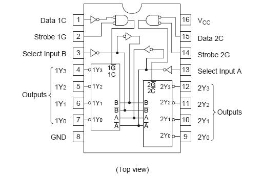
This circuit features dual 1-line-to-4-line demultiprexer with individual strobes and common binary-address input.When both sections are enabled by the strobes, the common binary-address inputs sequentially select and route associated input data to the appropriate output of each section. The individual strobes permit activating or inhibiting each of the 4-bit sections as desired. Data applied to input 1C is inverted through its outputs. The inverter following the 1C data input permits use as a 3-to-8-line decoder or 1-to-8-line demultiplexer without external gating.
Ordering Information
Part Name Package Type Package Code (Previous Code) Package Abbreviation Taping Abbreviation (Quantity) HD74LS155P DILP-16 pin PRDP0016AE-B (DP-16FV) P —
Pin Arrangement

Absolute Maximum Ratings
|
Item |
Symbol |
Ratings |
Unit |
|
Supply voltage |
VCC |
7 |
V |
|
Input voltage |
VIN |
7 |
V |
|
Power dissipation |
PT |
400 |
mW |
|
Storage temperature |
Tstg |
–65 to +150 |
°C |